| Sign In | Join Free | My ledscreensign.com |
|
Brand Name : Shice
Model Number : SC-B3F8
Certification : CNAS、TUV、ITS、CSA、BV、SGS (cost additional)
Place of Origin : China
MOQ : 1 piece
Price : USD 50-3000 piece
Payment Terms : T/T, Western Union, MoneyGram, L/C
Supply Ability : 999 pieces per month
Delivery Time : in 15 work days
Packaging Details : wooden carton
Material : Mold steel
Standards : BS1363 Figure 8
Mounting block : 1 set
Pins : 4pcs
Weight : 4.4N
Function : Testing pin deflection resilient
Warranty : 12 months
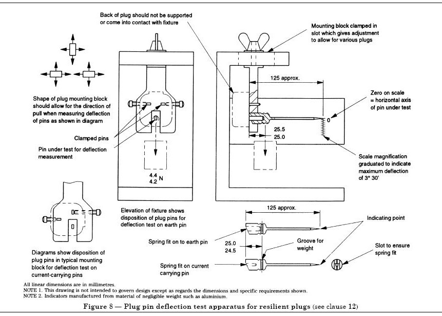
Name : Plug Pin Deflection Test Apparatus For Resilient Plug
BS1363 Fig8 Plug Pin Deflection Test Apparatus For Resilient Plug
Specification:
| Product Model | Standard | Product Name |
| BS1363-1 | ||
| SC-B3F1 | BS1363-1-Fig 1 | Test pin |
| SC-B3F2a SC-B3F2b | BS1363-1-Fig 2a 2b | Apparatus For Mechanical Strength Test On Resilient Covers |
| SC-B3F5 | BS1363-1-Fig 5 | Gauge for plug pins |
| SC-B3F7 | BS1363-1-Fig 7 | Mounting plate |
| SC-B3F8 | BS1363-1-Fig 8 | Plug pin deflection test apparatus for resilient plugs |
| SC-B3F9 | BS1363-1-Fig 9 | Apparatus for abrasion test on insulating sleeves if plug pins |
| SC-B3F10 | BS1363-1-Fig 10 | Apparatus for pressure test at high temperatures |
| SC-B3F11 | BS1363-1-Fig 11 | Go gauge for socket-outlet(2 units/set) |
| SC-B3F17a SC-B3F17b | BS1363-1-Fig 17a/b | Temperature rise test device and the simulation panel |
| SC-B3F19 | BS1363-1-Fig 19 | Stainless steel solid fuse |
| SC-B3F23 | BS1363-1-Fig 23 | Press test device (include all parts) |
| SC-B3F24 | BS1363-1-Fig 24 | Ball Pressure Test Device |
| SC-B3F29 | BS1363-1-Fig29 | Correction clamp |
| SC-B3F32 | BS1363-1-Fig 32 | Apparatus for tests on plug pins (exclude the 1100N weight) |
| SC-B3F33 | BS1363-1-Fig 33 | Apparatus for torsion test on pins |
| BS1363-2 | ||
| SC-B32F1 | BS1363-2-Fig 1 | Test pin |
| SC-B32F2a SC-B32F2b | BS1363-2-Fig 2a 2b | Apparatus For Mechanical Strength Test On Resilient Covers |
| SC-B32F11 | BS1363-2-Fig 11 | Go gauge for socket-outlet(2 units/set) |
| SC-B32F12 | BS1363-2-Fig 12 | Contact test gauge |
| SC-B32F14 | BS1363-2-Fig 14 | Non-contact test gauge |
| SC-B32F15 | BS1363-2-Fig 15 | Turning moment gauge |
| SC-B32F16 | BS1363-2-Fig 16 | Withdrawal pull gauge(2 units/set) |
| SC-B32F17a SC-B32F17b | BS1363-1-Fig 17a/b | Temperature rise test device and the simulation panel |
| SC-B32F19 | BS1363-2-Fig 19 | Stainless steel solid fuse |
| SC-B32F20 | BS1363-2-Fig 20 | Tumbling Barrel Tester |
| SC-B32F21 | BS1363-2-Fig 21 | Pendulum impact Tester |
| SC-B32F23 | BS1363-2-Fig 23 | Press test device |
| SC-B32F24 | BS1363-2-Fig 24 | Ball Pressure Test Device |
| SC-B32F29 | BS1363-2-Fig29 | Correction clamp |
| SC-B32F30 | BS1363-2-Fig 30 | Test plug for temperature rise |
| BS546 | ||
| SC-B5F2 | B.S546:1950 Fig 2 | Withdrawal-pull gauge for effectiveness of contact Gauge 2A,5A,15A,30A (8 units/set) |
| SC-B5F3 | B.S546:1950 Fig 3 | Go gauge for plug 2A,5A,15A,30A (4 units/set) |
| SC-B5F4 | B.S546:1950 Fig 4 | Max. “Go” gauge for socket-outlet 2A,5A,15A,30A (4 units/set) |
| SC-B5F5 | B.S546:1950 Fig 5 | Min. “Go” gauge for socket-outlet 2A,5A,15A,30A 2A,5A,15A,30A (4 units/set) |
Conforms To:
BS1363 Figure 8
Concrete products:
1. Socket contacts gauge (BS1363Figure 12), it is a standard measuring device to check if it is connected as a test sample.
2. Socket do not contact gauge (BS1363-2 Figure 14): it is a standard measuring device to check if it is not connected as a test sample.
3. Transversal stress test gauge (BS1363-2 Figure 15): By simulating the bolt to insert into the socket test samples and imposing the prescribed weight force (poise) at the stated point to check whether the socket fits to the standard requirements.
4. Grounding minimum pull out force gauge (BS1363-2 Figure 16a): By simulating the grounding bolt insert into the socket test samples and imposing the prescribed vertical downward force (poise) to check whether the socket is fits to the standard requirements.
5. Diversion jack minimum pull out force gauge (BS1363-2 Figure 16b): By simulating the bolt of the firing line or zero line to insert into the socket test samples and imposing the prescribed vertical downward force (poise) to check whether the socket is fits to the standard requirements.
6. Socket and jack gauge (BS1363-2 Figure 11 or BS1363-1 Figure 11): Socket test samples through using the gauge to check whether the relative position of the hole, the size and depth of the hole, and whether the socket joint surface had fit to the standard requirements. There are two specifications of the go gauge, large and small.
7. Plug location and size gauge (BS13631 Figure 5). Plug test sample uses the gauge to check whether the relative position and the length of the pin as well as its joint surface with the plug whether it is fit to the standard requirements.
Application:
Shice equipment offers a wide range of gauge to meet the most common standards including those from IEC, EN, UL, DIN, VDE and others. Such standards require the checking of size & definition etc. these gauges are constructed from senior stainless steel and appropriate steel with a hardness of at least 52-58 HRC and a roughness according to standard require. Each gauge is supplied with a certificate of calibration.


|
|
BS1363 Fig8 Plug Pin Deflection Test Apparatus For Resilient Plug Images |